空氣壓縮機(英文為:air compressor)是氣源裝置中的主體,它是將原動機(通常是電動機)的機械能轉換成氣體壓力能的裝置,是壓縮空氣的氣壓發生裝。空氣壓縮機的種類很多,按工作原理可分為容積式壓縮機,速度式壓縮機,容積式壓縮機的工作原理是壓縮氣體的體積,使單位體積內氣體分子的密度增加以提高壓縮空氣的壓力;速度式壓縮機的工作原理是提高氣體分子的運動速度,使氣體分子具有的動能轉化為氣體的壓力能,從而提高壓縮空氣的壓力。
格力博集團位于中國經濟腹地長三角的秀美常州,格力博始建于2002年7月,是以生產、研發、銷售園林工具、空壓機、清洗機,發電機組等產品為主的企業。在格力博空壓機中,利用變頻器可通過改變螺桿轉子轉速的方式來改變排氣量,當用氣量發生變化時,變頻器改變轉速的方式調節空壓機的排氣量,達到排氣壓力恒定不變,并節約能源的目的。由變頻器,壓力變送器、電機、螺旋轉子組成壓力閉環控制系統自動調節電機轉速,使儲氣罐內空氣壓力穩定在設定范圍內,進行恒壓控制。
反饋壓力與設定壓力進行比較運算,實時控制變頻器的輸出步,從而調節電機轉速,使儲氣罐內空氣壓力穩定在設定壓力上。
變頻器節能原理及效果:兩種調節方法用電情況如下圖所示。

我們采用具有矢量控制功能的AM300系列變頻器,可使電機在低速時也能提供滿足負載需要的轉矩。同時,AMB變頻器的自動節能模式,可使電機在滿足負載轉矩要求下以最小電流運行,達到更好的節電效果。
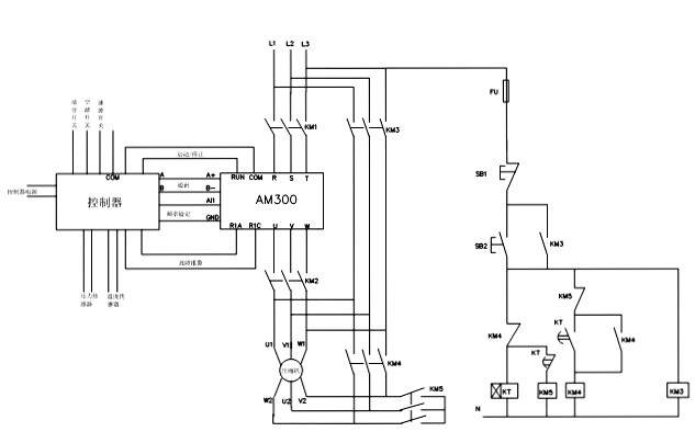
變頻改造方案設計原則 如圖所示:

其中KM1、KM3為工變頻切換接觸器,控制器選用普勒特,變頻器選用安邦信AM300系列。變頻器與控制器的鏈接:R485通訊,開關量控制變頻器啟停,模擬信號控制變頻器速度,變頻器故障信號反饋等。
根據上述原則,經過多方調研、比較,最后我們選擇安邦信公司生的AM300系列通用型變頻器,使該系統能夠滿足上述工況要求。
1、AM300變頻器的頻率精度:數字設定為±0.01%;模擬設定為±0.2%??墒箟毫Σ▌臃秶鷿M足設計要求。
2、系統設計了變頻和工頻兩套主回路。
3、系統設計了閉環與開環兩套控制回路。
4、AM300型變頻器適用恒轉矩特性負載,該變頻器還具有轉矩補償和提升的功能。
5、在該變頻器上端加裝輸入電抗器,有效的抑制了變頻器對電網的干擾。
6、在該變頻器下端加裝輸出電抗器,保障了低頻運行時電機溫度噪音不超過允許范圍。
原系統工況存在的問題,空壓機結構原理:
1、主電機雖然星-角減壓起動,但起動時的電流仍然很大。
2、主電機時??蛰d運行,屬非經濟運行,電能浪費嚴重。
3、主電機工頻運行致使空壓機運行時噪音很大。
4、主電機工頻起動設備的沖擊大,電機軸承的磨損大。
格力博集團空壓機變頻改造后的優勢如下:
1、節約能源;
2、運行成本降低;
3、提高壓力控制精度;
4、延長壓縮機的使用壽命;
5、降低了空壓機的噪音。